Geen producten (0)
Geen producten (0)
1 2
 

Rubberen doorvoertule - kabeldoorvoer - 17.5mm - Per stuk

€ 1,49 (inclusief btw 21%)
Op voorraad
Specificaties
Productcode P202204051554
Productcode leverancier L202204051554
Omschrijving

Rubberen doorvoertule - kabeldoorvoer - 17.5mm - Per stuk

Rubberen doorvoertule voor doorvoeren van kabels, slangen, etc. 

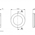
Deze doorvoertule kunt u perfect gebruiken als u kabels door bijvoorbeeld een plaat van ijzer, kunststof of ander metaal moet voeren. Dankzij deze kabeldoorvoer blijft hetgeen wat u door het materiaal wilt begeleiden niet alleen op zijn plek, maar is daarnaast ook beschermd tegen slijtage door trillingen en beschadiging door bijvoorbeeld opspattende vloeistoffen. De kabeldoorvoer is gemaakt van rubber en heeft gatdiameter van 17.5mm, en is geschikt voor in panelen met een dikte van maximaal 3mm. Daarnaast is de buitendiameter van de doorvoertule 33mm, en heeft deze doorvoer een inbouwdiameter van 25mm.

SPECIFICATIES
  • Doorvoertule / kabeldoorvoer
  • Materiaal: rubber
  • Kleur: zwart
  • Prijs per stuk
  • Afmetingen (zie technische tekening):
    • ID: 17.5mm (binnendiameter)
    • OD: 33mm (buitendiameter)
    • P: 3mm (max. paneel dikte)
    • T: 11mm (dikte doorvoertule)
    • H: 25mm (boordiameter)
Facebook Twitter Pinterest